HMC565LC5低嘈音調小器處理芯片 ADI期貨
正式發布時:2019-02-26 10:52:55 看:1760
HMC565LC5是一個款高靜態條件GaAs PHEMT MMIC低的噪音變大器,選取是符合RoHS原則的無引腳5x5mm SMT封裝形式。 HMC565LC5運作上幾率條件為6至20 GHz,在某個運作上頻段內都具有21 dB小表現增益控制、2.5 dB的噪音指數和+20 dBm輸出電壓IP3。 基于選取+3V外接電源配電和隔直RF I/O,該自偏置LNA是適宜微波通信wifi電廣泛應用。
|
品牌
|
型號
|
貨期
|
庫存
|
|
ADI
|
HMC565LC5
|
1周
|
100
|
假如您須得下單HMC565LC5,請單擊右測電話客服取得聯系你們!!!
應用
-
點對點無線電
-
點對多點無線電和VSAT
-
測試設備和傳感器
-
軍事和太空
優勢和特征
-
噪聲系數: 2.5 dB
-
增益: 21 dB
-
OIP3: 20 dBm
-
單電源: +3V (53 mA)
-
50 Ω匹配輸入/輸出
-
符合RoHS標準的5x5 mm封裝
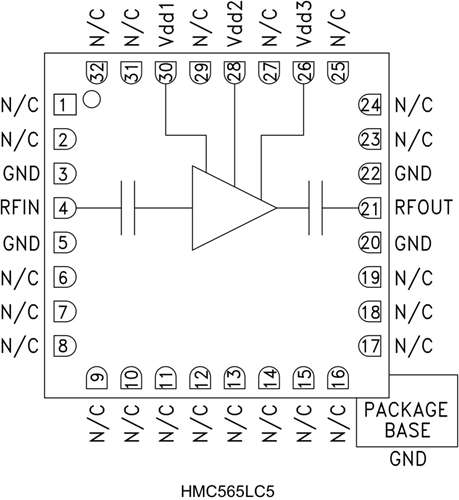
示意圖

深圳市立維創展科技代理銷售ADI現貨產品,致力于為廣大客戶提供低價格、高質量、有保障的產品,提供優質的售前與售后服務技術。如您有任何產品需求以及服務請聯系我們客服人員,我們會再第一時間內為您解決問題。