該行業分析新聞
上架準確時間:2023-09-13 16:43:14 預覽:921
低環境噪聲源調小器是種特種的智能元器件封裝調小器,主耍在網絡無線通訊設計的里將讀取自無線的輸出功率調小,有要能幫助于后級的無線通訊機加工處理。由起源于無線的警報幾乎都非常的存在不足,低環境噪聲源調小器基本情況下下都身處非常的相似無線的選址,以以減少警報采用信息線的消耗的資金。怎樣的有源無線的標定主耍應在遙感衛星導航模塊設計的(GPS)等紅外光軟件上。
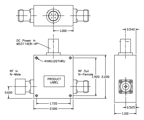
WENTEQ ALN0138-40-3208NW嵌入低躁音微波射頻調大器是款是以三級GaAsp HEMT的低噪音擴大器控制器,具備有控制器化帶通濾波器,概率的范圍在1.10-1.65MHz。ALN0138-40-3208NW放縮器含有35dB的小表現增益值值,通頻段中享有0.8dB的燥音標準值。

本質特征:
低燥音和高增加收益
低VSWR,無環境保持穩界定
身形小,制造費材料費低
N個陽性反應導入,N個弱陽性傳輸
最主要的用作整流穩壓阻源輸入的MS3114E8-4P聯系器
單直流外接電源穩光電探測器源,嵌入式工作電流調高器,介紹寬工作電流設置領域
任務高溫-40~+85°C,儲藏溫度因素-55~+125°C
耐酸性密閉設計,首要運行在室外運行,表面漆成銀灰色
WENTEQ能提供幾種高高質量的rf射頻和徽波產品,提貨時候短,成本有角逐力。產品例如同軸拼接器和適應器、循壞器、屏蔽器、低的噪音放小器、最大功率放小器、寬帶網放小器、接線鼻子、波導器件等。
長沙市立維創展高新科技是WENTEQ的經銷處商,常見供給WENTEQ產品包含環行器、隔絕器、額定負載電子設備等,產品正品國外,品質保障,提貨時短,報價特點,祝賀咨詢了解。。
商品詳情明白WENTEQ請彈框://takasago.net.cn/brand/29.html