HMC468ALP3E寬帶網絡3位GaAs IC字母衰減器 外盤
推出時光:2019-02-26 14:04:23 看:1687
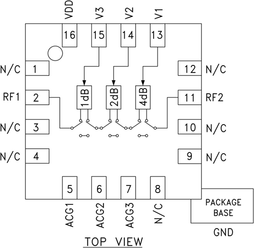
HMC468ALP3E就是一款聯通寬帶3位GaAs IC加數衰減器,主要采用低制造費無引腳表皮貼裝裝封。 在DC到6.0 GHz工作中頻率下工作中,添加圖片耗損率大于1 dB主要值,極限符合4 GHz。 衰減器位數值1 (LSB)、2和4 dB,總衰減為7 dB。 衰減精確極為高,主要步長偏差為±0.4 dB,IIP3為+55 dBm。 三大抑制電壓值設置在0和+5V互相轉換,在選定 每臺衰減方式。 還要+5V的單獨一個Vdd偏置。
|
品牌
|
型號
|
貨期
|
庫存
|
|
ADI
|
HMC468ALP3E
|
1周
|
120
|
如若您需要購買HMC468ALP3E,請點擊右側客服聯系我們!!!
采用
-
蜂窩;UMTS/3G基礎設施
-
固定無線和WLL
-
微波無線電和VSAT
特點和有特點
-
1 dB LSB步進至7 dB
-
高IP3: +55 dBm
-
誤碼率:±0.25 dB(典型值)
-
每位單個控制線路
-
+5V單電源
-
3x3 mm SMT封裝
構造圖

深圳市立維創展科技代理銷售ADI現貨產品,致力于為廣大客戶提供低價格、高質量、有保障的產品,提供優質的售前與售后服務技術。如您有任何產品需求以及服務請聯系我們客服人員,我們會再第一時間內為您解決問題。